在开关电源技术持续演进的当下,同步整流(SR)技术已成为提升反激式转换器效率的关键手段。FT8374系列高性能同步整流芯片,凭借集成MOS、极简外围、超快响应等优势,广泛应用于USB PD快充、适配器、充电器等场景。本文将围绕 FT8374FBA / FT8374FCA / FT8374FS_FB 三款主流型号,深入解析其核心特性、典型应用电路、封装管脚定义及订购信息,助力工程师快速选型与设计优化。
| 特性 | FT8374FBA | FT8374FCA | FT8374FS / FB |
|---|---|---|---|
| 支持工作模式 | CCM / QR / DCM | CCM / QR / DCM | QR / DCM |
| 输出电压范围 | 3.3V ~ 21V | 3.3V ~ 21V | 3.3V ~ 21V |
| 集成MOS耐压 | 60V | 63V | 60V |
| 导通电阻(Rds(on)) | 13mΩ | 10mΩ | 25mΩ(FS)/ 13mΩ(FB) |
| 开启/关断延迟 | 20ns | 20ns | 20ns |
| 外围元件数量 | 仅需1个VDD电容 | 同上 | 同上 |
| 推荐应用功率 | PD 20W(12V/2.5A) | PD 25~30W | 12V/1.5A(FS) 12V/2.5A(FB) |
✅ 总结:
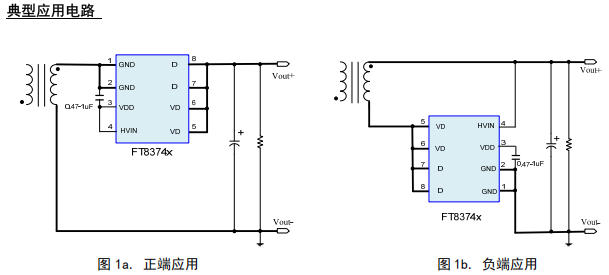
FT8374系列支持 正端与负端两种整流方式,可灵活适应不同变压器结构与输出极性要求。

适用于输出正极整流,典型用于大多数反激电源设计。
Vout+ → D引脚(内部MOS Drain)
VD引脚 → 检测MOS两端电压
VDD → 接0.47~1uF电容至GND
HVIN → 外部供电(可选)
适用于输出负极整流,常见于特殊结构电源或隔离型设计。
Vout- → D引脚
VD引脚 → 检测电压
VDD → 接电容至GND⚠️ 注意:无论正负端应用,仅需一个VDD电容,极大简化BOM。
三款芯片均采用 SOP8封装,管脚排列一致,便于替换与兼容。

✅ 设计建议:

✅ 命名规则解析:
| 应用需求 | 推荐型号 | 理由 |
|---|---|---|
| 20W PD快充(如iPhone充电器) | FT8374FBA | 成熟方案,性价比高 |
| 25~30W高功率快充(如PPS) | FT8374FCA | Rds(on)更低,效率更高 |
| 小功率适配器(12W以内) | FT8374FS | 成本优化,适合QR模式 |
| 12V/2.5A中等功率 | FT8374FB | 与FBA性能相近,适合QR结构 |
如需进一步了解 FT8374系列 的实测数据、热性能或替代方案,建议在PCB设计中结合实际散热条件进行测试验证,或咨询深圳三佛科技技术支持获取完整版规格书与应用笔记。