在智能插座、小家电、MCU辅助供电等超低成本场景,工程师最想要的是——"器件越少越好、BOM越低越好、EMI一次过、马上能量产"。深圳三佛科技提供的FT8441xQ系列(FT8441SQ/FT8441TQ),凭借"内置650V功率MOS+600V超快恢复二极管+高压启动+5V固定输出",把外围器件压缩到11颗,官方BOM成本<¥0.28,还能单面板过EMI。下面将从特点、典型电路、管脚定义、订货信息、内部框图到应用说明,为你全面拆解这颗"非隔离黑珍珠"。
超高压集成:650V功率MOS+600V续流二极管+高压启动电路,三件套合一
固定5V输出:内部高精度分压电阻+参考源,省掉TL431、光耦、反馈电阻
大电流能力:
FT8441SQ:250mA连续/300mA峰值,R<sub>=22Ω
FT8441TQ:300mA连续/350mA峰值,R<sub>=16Ω
低待机功耗:60mW(Typ.),轻松满足CoC V5 Tier-2
EMI友好:40kHz带频率抖动+软驱动,传导余量>6dB(CISPR22 B)
全保护:UVLO、OVP、OCP、OTP、SCP、LEB,全部自恢复
小封装:ASOP-7,单面板即可波峰焊,适合超低成本量产


设计提示:VOUT走线远离D脚,取样点放在输出电容正极,与ICGND单点连接。


宽电压90-264VAC:2µF/W,例5V/0.25A≈1.25W→3µF(1µF+2.2µF)
470-680µH,饱和电流>400mA,CCM深度<50%
≥470µF,低ESR,纹波<50mV
远离D脚高压区,与功率地单点连接,避免杂波
频率抖动已内置,如需更大裕量,π型滤波+L-N对称布局即可
ASOP-7背面露铜,D脚多打地孔,满载芯片温升<10℃
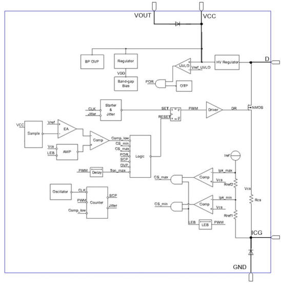
一颗ASOP-7 = MOS + 二极管 + 启动 + 全保护
11颗器件、单面板、0.28元成本、50ms起机
250-300mA全覆盖,EMI一次过,无需共模电感
官方Gerber、变压器、测试报告全开放,即贴即量产
如果你正在寻找5V/250-300mA非隔离电源,又不想为BOM、EMI、交期头疼,FT8441SQ/FT8441TQ就是答案。深圳三佛科技提供样品,技术支持。