在 100W~500W 中大功率电源设计中,PFC+LLC 两级架构 早已成为 TV 电源、LED 照明、PC 电源等领域的主流方案。但传统方案需要两颗独立芯片(一颗 PFC 控制器 + 一颗 LLC 控制器),外围电路复杂、PCB 面积大、成本居高不下。
今天给大家介绍一款国产重磅芯片——LP9962AA,单芯片集成了 CCM-PFC 控制器 + 高压半桥 LLC 驱动器,内置 600V 高压启动、X 电容放电、自适应死区控制,一颗芯片就能搞定完整的 PFC+LLC 两级电源,外围极简,效率极高。
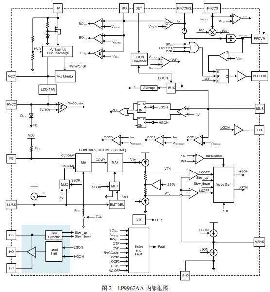
LP9962AA 是一款 全集成 PFC 和高压半桥驱动的 LLC 谐振控制器,采用 SOP-20 封装。它的核心亮点可以概括为四个字:高集成、高效率、高可靠、低待机。
| 特性 | 规格 |
|---|---|
| 封装 | SOP-20L |
| 高压驱动 | 内置 600V 高压半桥驱动(HO/HS/LO/HB) |
| PFC 控制 | CCM 平均电流模式,65kHz 最大频率 |
| LLC 控制 | 模拟双向电流混合模式,35kHz~1MHz |
| 启动方式 | 内置高压启动,无需外部启动电阻 |
| 待机功耗 | 特有突发模式,空载待机极低 |
| 保护功能 | OVP/UVP/OCP/OTP/容性区保护/短路保护 |
| X 电容放电 | 内置,符合安规要求 |
| 对比项 | 传统分立方案 | LP9962AA 单芯片方案 |
|---|---|---|
| 芯片数量 | 2 颗(PFC + LLC) | 1 颗 |
| 高压启动电路 | 需外部电阻+稳压管 | 内置 |
| 半桥驱动 | 需外部驱动芯片或光耦隔离 | 内置 600V 驱动 |
| X 电容放电 | 需额外放电电阻或芯片 | 内置 |
| 死区控制 | 需外部 RC 延时 | 自适应死区 |
| PCB 面积 | 较大 | 缩小 30% 以上 |
| BOM 成本 | 较高 | 降低 20% 以上 |
LP9962AA 采用 SOP-20 封装,20 个引脚各司其职,覆盖 PFC 控制、LLC 控制、高压驱动、保护检测等全部功能。

| 管脚 | 名称 | 功能 |
|---|---|---|
| 1 | HV | 高压启动脚,连接内部高压管,实现高压启动、AC 电压检测、X 电容放电 |
| 3 | VCC | 芯片供电电源,典型工作范围 12~23V |
| 4 | BO | PFC 输出电压反馈,同时也是 LLC 输入电压检测 |
| 5 | FB | LLC 光耦反馈输入,检测表征输出功率的光耦电流 |
| 6 | ISNS | LLC 谐振电流检测,通过微分器检测谐振电流 |
| 7 | VSNS | LLC 谐振电容电压分压检测 |
| 8 | DET | LLC 输出电压检测,实现过压保护、恒流功能 |
| 9 | PFCCS | PFC 电流采样,提供过流保护、过功率限制 |
| 10 | PFCCTRL | PFC 环路补偿脚,外接 RC 补偿网络 |
| 11 | PFCVM | PFC 乘法器输出,外接电阻设置输入阻抗 |
| 12 | LL/SS | LLC 软启动/突发模式阈值设置 |
| 14 | PFCDRV | PFC 功率 MOS 驱动输出 |
| 15 | RVCC | 内部 LDO 输出,为 LLC 低压端和 PFC 驱动供电 |
| 16 | LO | LLC 低压端驱动输出 |
| 18 | HB | LLC 高压端自举电源 |
| 19 | HO | LLC 高压端驱动输出 |
| 20 | HS | LLC 高压端浮地 |
LP9962AA 内部集成了完整的 PFC 控制单元、LLC 控制单元、高压驱动单元和保护逻辑,是一颗真正意义上的 "片上电源系统"。
1. 模拟双向电流混合控制(LLC 部分)
传统 LLC 采用电压模式或电流模式控制,动态响应慢。LP9962AA 采用 模拟双向电流混合模式:
通过对谐振电容电压分压波形叠加固定电流充放电斜波
实现电流双向检测,精准判断谐振电流极性
既保证系统稳定性,又极大改善动态响应
支持 35kHz~1MHz 宽频率范围,适配各种变压器设计
2. CCM 平均电流模式 PFC(PFC 部分)
PFC 采用 CCM(连续导通模式)平均电流控制:
电感电流连续,纹波小,EMI 更易处理
内置乘法器实现高功率因数(PF > 0.95)
支持 跟随升压模式(Follower Boost):PFC 输出电压随输入电压和负载自适应调整,降低开关损耗
快速动态响应:输出欠压时注入 200μA 加速电流,避免 undershoot
3. 自适应死区时间控制
LLC 半桥驱动最怕硬开关。LP9962AA 通过检测半桥中点(HB-HS)的电压斜率(dV/dt),自适应调整死区时间:
实时监测高压端和低压端 MOS 的开关过程
只有当体二极管导通后才允许下一个 MOS 开启
确保零电压开关(ZVS),提升效率,降低 EMI
LP9962AA 的典型应用电路展示了完整的 PFC+LLC 两级架构:

PFC 级:
前端整流后,LPFC 电感 + PFC MOS + PFC 二极管构成 Boost 拓扑
RSENSE 采样电阻检测电感电流,连接 PFCCS 脚
BO 脚通过分压电阻采样 PFC 输出电压(母线电压)
LLC 级:
半桥驱动 HO/LO 控制两个高压 MOS
谐振网络由 Lr(谐振电感)、Cr(谐振电容)、Lm(变压器励磁电感)组成
ISNS 脚通过 RISNS + CISNS 微分器检测谐振电容电流
VSNS 脚通过 C1/C2 电容分压检测谐振电容电压
DET 脚通过辅助绕组分压检测输出电压,实现 OVP
反馈环路:
输出端光耦连接 FB 脚,实现闭环恒压控制
FB 电流越大,表示负载越重,芯片提高开关频率
VCC 旁路:除储能电解电容外,VCC 脚就近放置 2.2μF 陶瓷电容
RVCC 旁路:4.7μF + 0.1μF 陶瓷电容,尽量靠近 RVCC 脚
VSNS/ISNS:使用 C0G/NP0 陶瓷电容或薄膜电容,保证低失真
FB 走线:尽量短,远离高压开关噪声
BO/DET/ISNS 滤波电容:尽量靠近对应引脚
HV 脚:串联 5kΩ 电阻限流,不要在 HV 地脚放置电容(寄生电容 < 60pF)
高压间隙:保持足够的高压安全间距
GND 覆铜:大面积覆铜,提供良好散热和屏蔽
LP9962AA 适用于以下中大功率电源场景:
| 应用 | 功率范围 | 特点 |
|---|---|---|
| TV 开关电源 | 100W~300W | 高效率、低待机、符合能效标准 |
| LED 照明电源 | 100W~500W | 恒流恒压、长寿命、高 PF |
| AC-DC 适配器 | 100W~240W | 小体积、高功率密度 |
| PC 电源适配器 | 150W~500W | 高可靠性、低纹波 |
| 工业电源 | 200W~500W | 宽电压输入、全保护 |
LP9962AA 是国产电源芯片的一次重要突破,单芯片实现 PFC+LLC+高压驱动,将原本需要多颗芯片和复杂外围的电路,精简到一颗 SOP-20 芯片搞定:
省芯片:1 颗替代传统 2 颗
省外围:内置高压启动、X 电容放电、自举二极管
省面积:PCB 缩小 30% 以上
提效率:自适应死区、突发模式、CCM PFC
高可靠:完善的保护机制,容性区保护、过温保护等
对于 100W~500W 中大功率电源设计,LP9962AA 提供了一个高性价比、高集成度、高性能的解决方案,值得电源工程师重点关注。
如需要 LP9962AA 详细设计资料、Demo 板、样品申请或批量价格,欢迎联系深圳三佛科技。我们提供完整技术支持,价格有优势~